-Instructions and registers are designed as length 16-bit
-Instruction Set For Arithmetic Operations (16-bit)
-Instruction Set For Memory Operations (16-bit)
Program Counter Unit
Instruction Memory Unit
Control Unit
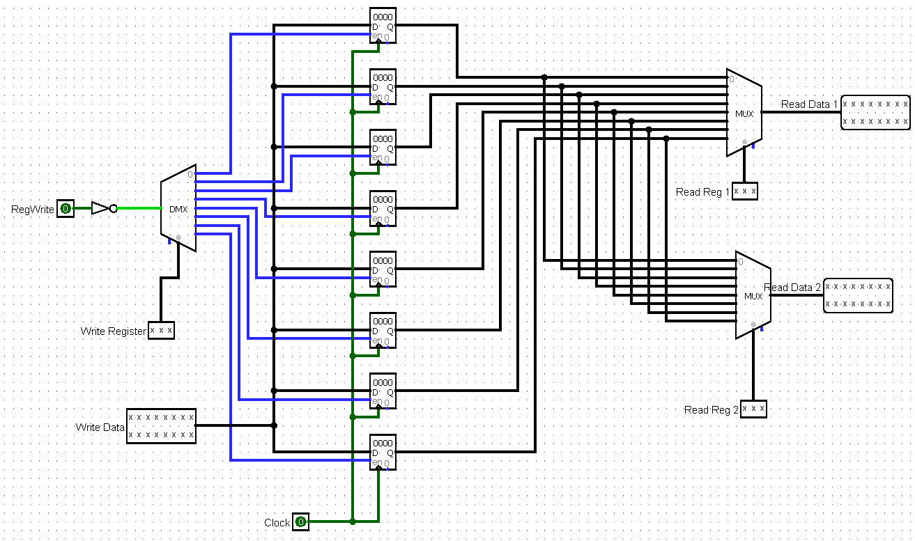
Registers Unit
Alu Unit
Data Memory Unit
Full Datapath








